TP 20: Le temps et la mémoire

Le temps

Une horloge (clock) délivre un signal périodique par exemple 1 ns (pour une fréquence de 1GHz) . Pour les composants liés à l'horloge (clocked) chaque période compte comme une unité de temps

Nous allons choisir comme pour le T.P précédent un composant primitif le data flip flop (sans chercher à l'implémenter)

Ouvrir un terminal et entrer la commmande java -jar logisim puis utiliser la touche de tabulation (auto-complétion Linux) puis faire entrée

Réaliser le circuit ci-dessous et constater le décalage de la sortie (out) sur l'entrée (in)

Les registres

Selectionner Add Circuit... dans le menu Project et entrer le nom du circuit 1BitRegister

Nous allons construire un circuit contenant une entrée in(t) (1 bit), un sélecteur load (1 bit) et une sortie out(t) (1 bit) dont le contrat est :

Si load == 1 alors out(t) = in(t-1) sinon out(t) = out(t-1)

C'est le circuit ci-dessous, on utilise un multiplexer pour réaliser le si ...alors

Tester le avec Poke

Utiliser le registre précédent pour construire 1 registre à 8 bits,et comparer le à celui qui existe déjà

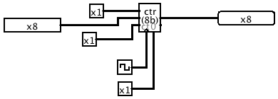
Mémoire RAM

Réaliser le circuit suivant simulant une mémoire de 256 octets (vérifier le) .Tester le

Program Counter

Un program counter est un élément du processeur qui à chaque unité de temps t, délivre l'adresse mémoire de la prochaine instruction du programme à exécuter. Il a 4 entrées in, inc, load ,reset, et une sortie.

Entrées/Sorties

Exploration